一马当先|开年首篇:湿陷性黄土地区市政砖砌检查井施工工艺、预算编制、成本控制三位一体总结
彭工聊造价
6天前
|
2871阅读
10
赞


市政砖砌检查井
施工工艺总结、预算编制方法、成本控制要点
三位一体分析



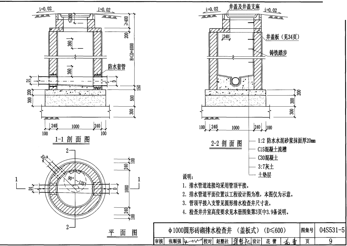
本文以《湿陷性黄土地区排水检查井 04S531-5》标准图集选用的标准砌筑检查井为对象,从施工工艺分析、预算编制方法、成本控制要点三个维度进行系统梳理,形成“工艺- 造价-管控”一体化技术经济总结,为同类工程施工与成本管理提供参考。


☯施工准备

检查砖、砂浆、混凝土、防水套管、给排水管道、铸铁踏步等材料的合格证和复试报告。
☯测量放线

根据井位坐标、高程,放样井中心控制点

☯基坑开挖与基底处理

按井中心控制点放样开挖边线;如遇问题坑或者软弱下卧层,需进行换填。
☯垫层施工

按图集要求依次施工:土垫层→3:7 灰土垫层→C15 混凝土垫层。

☯管道安装与接口处理

(1)安放管道,控制管顶平接标高,与井室预留孔精准对接;
(2)安装防水套管,做好套管与管道、套管与井壁的防水密封;
(3)管道接口施工(橡胶圈或水泥砂浆接口),并进行临时固定。


☯井室砌筑与预埋

(1)按图集尺寸砌筑井室,同时预埋铸铁踏步(钢爬梯);
(2)井壁内外抹1:2防水砂浆(厚20mm),确保与管道接口处的防水严密。

☯井内流槽施工

浇筑 C30 混凝土流槽,表面用防水砂浆收光,确保流水顺畅;流槽高度、坡度应与进出水管一致。

☯井室盖板

安装钢筋混凝土井室盖板,做好座浆
☯井筒施工

按设计高度(路面标高到井室盖板标高之间的高差)砌筑井筒,内外抹防水砂浆。

☯井盖安装

安装铸铁井盖及井盖支座,确保井盖标高与路面坡度(i=0.02)一致,平稳牢固。
☯闭水试验

在回填前进行闭水试验,检查井室及管道接口的严密性,合格后方可进行下一步。
☯基坑回填

采用分层夯实回填,井周 200mm 范围内用低强度混凝土或级配砂石回填,避免机械碾压损伤井体。


☯直接套换算定额

(1)优点:简单高效、适合进行预算编制和方案测算;
(2)缺点:不利于精细化成本分析和控制。

☯工艺拆解,套用定额

(1)优点:利于精细化成本分析和控制;
(2)缺点:需要对每一步工艺对于的工程量进行详细计算,如果是预算和限价编制会导致工作效率低下。



成本管理系统非常庞大,受4M1E的制约(人机料法环),理论上有以下六个环节:成本预测→成本计划→成本控制→成本核算→成本分析→成本考核。但篇幅有限,本文仅仅列举几个成本控制的要点供大家参考:
☯检查井土方量

检查井的土方是否按沟槽拉通计算了,工作面和放坡的突出部分是否计算了(简化计算,不代表不可以计入),以前大多省市一般是按管沟土方*1.025增加检查井的土方量,但是容易造成歧义。
下面将全国的增加比例总结汇总如下:
(1)大多数省份:管沟土方*1.025
(2)广东:排水*1.05、给水*1.10、其他*1.03
(3)重庆/四川:排水直槽*1.015,放坡不加
(4)北京/上海:单独算井基坑再合并
(5)特殊说明:
▲系数 =井位加宽 + 接口坑 + 支墩的综合增量;
▲放坡开挖时,边坡重叠土方不扣,井位增量已含在系数里;
▲清单计价:按当地定额规则执行,不可自行调整
25清单实操建议:可以单例计算检查井的土方量,单独列项或者并入检查井的清单中(需描述);尤其是陕西省25清单、土方的清单工程量计算规则明确规定包含工作面和放坡,建议检查井的土方单独开清单项,不要和管沟土方合并。

☯土垫层和换填垫层

土垫层编制预算时需要考虑,做土垫层的目的就是地基加固,不算或者要扣除可以先签订一个地基不均匀沉降的保证书、保证不做不会有质量问题,扣除发生质量问题后扣除方承担相关的责任......(纯属调侃现实不会有此操作发生)。
☯基坑开挖与基底处理

地质条件差的时候,需要办理变更和签证。
☯套管容易漏项

施工未作可能是偷工减料了。
☯井筒高度计算错误

井筒深度极易算错,要根据图集、图纸、标高确认高度。
☯闭水试验漏项

施工中未做,不代表不用做,预算需考虑。
☯井盖周围的回填漏项

一般井盖周围都有构造加固要求,需考虑。
☯未用防水砂浆

不管设计是否用防水砂浆,预算都要按防水砂浆考虑,图纸未考虑后期可能会变更。
☯井室的砌体量计算有误

有强迫症的预算员喜欢较真按井室的理论体积计算,本来管子周围的弧型砌砖、砖的损耗就大,扣除管占体积会直接影响成本。
☯是否采用预制装配式检查井

预制装配式安装快捷,成本较低;本文是砖砌井,可能井室盖板为预制。


共28条评论
高级工程师、一级建造师、造价工程师、监理工程师、擅长土建和市政造价
已发表49篇文章
头条热榜 换一换
- 【马年】一马当先·我的开年第一标
- 扎心了!这些造价人的“至暗时刻”,你经历过几个?
- “2025年,超760万人逃离建筑行业了!” 逃离的是哪些人,这些人都去做什么了
- 一马当先|2026造价人第一标:招标文件到手,我是这么牵头、分工、研读的(附中建实战案例)
- 1 2026年工程服务取费标准完整版|收藏备查,告别议价踩坑
- 2 住建部明确:这 6 种情况不算 “挂证”!2026 年严打风暴下,别再被误判!
- 3 定额3∶7灰土的含量为何不是3∶7比? 简单的问题为何成了全国性的疑难杂症
- 4 造价按9%、发票开6%,这3%差价到底归谁?造价人必看,别再被甲方财务问懵!
- 5 湖北率先“炸掉”定额!2026新规震撼建筑业,企业生死大洗牌
- 6 定额组价既然偏离市场价,为何还不废除?
- 7 图纸“说明”了就等于“约定”了吗? ——总价合同下的超前钻勘察费争议解析
- 8 基坑支护从图审到结算对量核心要点——中建五局一线实战经验分享
- 9 为什么住宅楼一般建到33层就不建了?
- 10 害人的税率
- 11 “合价包干”的措施费,当真一成不变吗? ——基于某综合开发项目结算争议的深度剖析
- 12 园林景观园建工程量计算&识图
- 13 刚入行的小白一定要知道的“造价审计流程及技巧”
- 14 0.8m 电缆沟 2:1 放坡该不该算?10 位造价专家竟 9 个答错!
- 15 一马当先|我的开年第一标 · 复盘万把来元的市场价,为何编出了三万多的控制价?
- 16 结算、决算、施工签证、工程量、审计计算难点解答汇总
- 17 如何控制工程造价全过程
- 18 一马当先|开年首篇:湿陷性黄土地区市政砖砌检查井施工工艺、预算编制、成本控制三位一体总结
- 19 “情理”与“法理”的交融与界分:新定额能否成为调整合同工期的“救命稻草”?
- 20 关于【广东】粤标定函【2025】22号文中费率计价费用组成划分调整部分功能使用的说明
- 21 从《2025年建筑业发展统计分析》数据,看“冰火交融”建筑业的新变局
- 22 一马当先丨AI重构造价咨询:从算量计价到价值赋能的转型
- 23 防水附加层,定额含不含、清单列不列、审计给不给——90%造价人都算错过!
- 24 有一种大神:可以不用电子版CAD图纸做造价
- 25 工程竣工结算的审计项目内容
- 26 “不平衡报价”的翻车现场:低价中标后的成本失控
- 27 墙柱面工程劳务分包价格
- 28 脚手架工程劳务分包价格
- 29 造价过程中的这些“价”你都搞清没?
- 30 年后第一周:一级造价师核心考点压缩版整理
- 31 招投标文件对不上怎么办?24清单标准下的避坑指南!
- 32 政府投资项目建设单位工程款(预付款、进度款、结算款、质保金)支付指南
- 33 未结合定额人材机组成,重复套用定额
- 34 一级造价师考试高频考点的结构化整理与复习应用
- 35 一马当先|2026 造价人:以 AI 为矛,破行业新局
- 36 一个图纸没有,清单没有,实际无法避免的成本难题 · 为什么受伤的总是我?
- 37 “措施费合价包干”条款下,专业工程暂估价的措施费应如何计取?
- 38 装配式建筑的造价管控:从预制构件到现场装配
- 39 2026增值税新政:造价人的“冲击波”来了!
- 40 “不接受不平衡报价”,一句空洞约定就能推翻已标价工程量清单吗?
- 41 “十五五”电力规划核心解读与工民建造价转行电力实操指南(一)
- 42 甲供材与乙供材的造价界面管控:从采购到结算的闭环管理
- 43 如何应对工程结算审计过程中哪些佐证资料
- 44 一马当先——审计结论≠结算价格:工程结算应回归合同本源与民事合意
- 45 钢筋混凝土工程劳务分包指导价
- 46 从“包干争议”到“动态调整”--基于2024计价规范的措施费管理变革
- 47 一马当先启新程|造价新手首担开年第一标,成长进阶+成本报价复盘全解析#马年开年第一标
- 48 低价中标后如何控制成本
- 49 博弈成本与审计
- 50 设计变更与工程签证的边界划分及造价争议化解


