-
时光匆匆
2023-02-16 15:16:16
|
福建
市政
|
5491查看
1回答
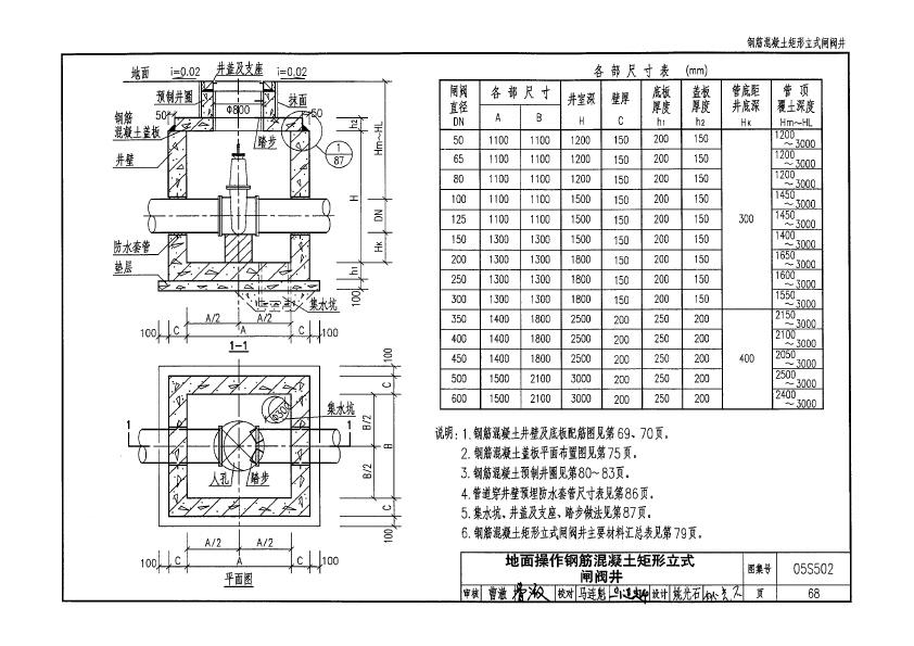
各位老师,矩形阀门井05S502-68页[闸阀DN150]的混凝土井壁怎么算

2023-02-17 08:56:19 补充
算了好几遍量都没对上,哪位老师帮我算算看
全部回答
(1)
首答仅用{{minutesHtml}}
-
混凝土井按座计算
市政定额——市政管网工程——管道附属构筑物——相应子目
2023-02-16 21:21:51






还有0条追问正在审核中,请稍后回来查看